关于成都市地下综合管廊有偿使用收费标准的测算
郭立波1, 陶珍业2, 欧小林3
(1.四川德维工程管理咨询有限公司,四川成都 610000;
2.成都市蓉城管线投资有限公司,四川成都 610000;
3.成都城投教育投资管理集团有限公司,四川成都 61000)
摘 要:随着2016年成都市入选第二批管廊工程试点城市,截止2019年,成都市已基本建成21条综合管廊试点工程,项目均采用政府和社会资本的PPP模式进行管廊项目的投融资、建设和运营、维护。随着相关管廊的陆续移交使用,相关参建方及入廊管线单位迫切需要明确有偿使用费收费标准,亟待政府出台综合管廊有偿使用费收费标准。本文根据成都市已建成管廊项目运营、维护费用的实际情况,探讨地下综合管廊有偿使用的收费标准。
关键词:管廊;收费标准;测算
0 引言
地下综合管廊是指在城市地下用于集中敷设电力、通信、广播电视、给水、排水、热力、燃气等市政管线的公共隧道,推进城市地下综合管廊建设,统筹各类市政管线规划、建设和管理。通过地下综合管廊建设,解决反复开挖路面、架空线网密集、管线事故频发等问题,有利于保障城市安全、完善城市功能、美化城市景观、促进城市集约高效和转型发展,有利于提高城市综合承载能力和城镇化发展质量,有利于增加公共产品的有效投资、拉动社会资本投入、打造经济发展新动力。
2015年国办发[2015]61号文明确了综合管廊实行有偿使用制度,入廊管线单位应向管廊建设运营单位交纳入廊费和日常维护费;发改价格〔2015〕2754号文明确综合管廊有偿使用费主要由市场形成价格机制,可实行政府定价或政府指导价,且明确了综合管廊有偿使用费的构成及影响因素。在此基础上,2016年3月,成都市财政局发布了《成都市财政关于加强我市地下综合管廊建设财政支持有关事宜的通知》(成财投〔2016〕19号),通知明确成都市综合管廊实行有偿使用的原则。但上述政策只是给出了有偿使用费收费标准的原则性、指导性意见,并未给出可量化的、明确的收费标准。本文根据成都市已建成管廊项目运营、维护费用的实际情况,以资引导和规范供需双方合理确定地下综合管廊收费标准,形成可行的收费机制,为综合管廊的规范化建设、经营、管理研究并编制出适用于成都市实际情况的有偿使用制度收费标准。
1 成都市综合管廊的建设情况
成都市积极响应国家加强推进地下综合管廊建设的要求,将综合管廊工程列为成都市近几年的重点建设项目,目前已完成了《成都市地下综合管廊专项规划》。按照该规划,中心城区将有望形成“一环、十射、多片”的综合管廊系统布局,而天府新区则规划形成“四横三纵九片”的综合管廊系统布局。详见图1。
2016年4月,成都市成功申请为2016年中央财政支持地下综合管廊试点城市。根据试点申报计划,2016年至2018年成都市将建成综合管廊58.1km,至2030年,成都市“双核”区域(中心城与天府新区成都直管区)规划综合管廊共计320km。其中,中心城区规划综合管廊长度173km,天府新区成都直管区规划综合管廊长度147km。断面形式有单舱、双舱、三舱、多舱多种形式,进入管廊的管线有电力电缆、通信电缆、给水管、再生水管、污水管、供热管、燃气管等。
2 测算项目概况及技术路线
2.1测算项目概况
成都地下综合管廊测算项目位置主要包括:IT大道、日月大道、成渝高速入城段、成洛路等21条综合管廊工程。本次测算主要以IT大道为例进行测算。IT大道为现状道路,位于成都市中心城区高新区内,道路等级为城市主干道,道路红线宽度30m4~7m。由于有轨电车的建设,需对现状道路进行改造拓宽,同时对部分已建市政管线进行迁改。结合市政管线迁改和新增需求,该项目实施综合管廊长约5.6km,起于IT大道清水河西北侧,止于绕城高速路东侧。该综合管廊敷设于道路机动车、非机动车、人行道下,埋设深度约为9.0~m12.0m,直接工程投资约8.3亿元。
2.2 测算项目技术路线
成都市地下综合管廊有偿使用费收费标准测算、分摊的总体思路为:依据《关于城市地下综合管廊实行有偿使用制度的指导意见发改价格》(2754号)及《成都市财政关于加强我市地下综合管廊建设财政支持有关事宜的通知》(成财投〔2016〕19号)关于综合管廊实行有偿使用制度的指导意见精神,参考国内外实践案例及成都市实际情况,进行有偿使用费测算及分摊。综合管廊有偿使用费分为入廊费和日常维护费,入廊费和日常维护费收费标准各自测算、分摊。
2.2.1入廊费:主要用于弥补管廊建设成本
在测算项目建设成本、各入廊管线单独敷设成本(在管廊全寿命周期内计入重复单独敷设成本)、入廊可节省的管线维护和经营成本等各项投资成本的基础上,结合现阶段及规划年限内管廊建设的实际情况,并考虑合理的投资回报、政府补贴、入廊管线的特点,寻求较为直观、简便、易于相关各方接受的入廊费收费标准。
2.2.2日常维护费:主要用于弥补管廊日常维护、管理支出等
日常维护费的测算主要依据管廊本体及附属设施运行维护更新改造等正常成本、管理支出等运营成本,并适当考虑合理的经营利润。日常维护费的分摊需考虑各入廊管线占用管廊空间的比例和对管廊附属设施的使用强度等因素。
有偿使用费的分摊标准涉及到多方面的利益,是复杂的社会问题,需要结合其产生的社会影响对分摊标准进行评价。
本专题研究的总体技术路线如下:
3 有偿使用费测算依据及原则
3.1测算依据
(1)《关于城市地下综合管廊实行有偿使用制度的指导意见发改价格》[2015]2754号;
(2)《成都市财政关于加强我市地下综合管廊建设财政支持有关事宜的通知》成财投〔2016〕19号;
(3)《城市综合管廊工程技术规范》(GB50838‐2015);
(4)《城市地下综合管廊工程维护消耗量定额》ZYA1-41(01)-2018;
(5)城市综合管廊工程造价指标(试行,2015);
(6)给水、排水、电力、通信、燃气、热力等相关行业概预算定额、投资估算指标;
(7)国内已建综合管廊工程投资及运营维护收费情况;
(8)成都部分已建电力、电信等通道的建设收费参考资料;
(9)成都市已建和在建的城市地下综合管廊的相关设计资料。
3.2 有偿使用费的构成因素
有偿使用费分为入廊费和日常维护费两部分,主要包含管廊及附属设施的建设投资和管廊本体运营维护费(不包含入廊管线的管材购置及安装费用和入廊管线的本体运营维护费用)。
3.2.1 入廊费的构成因素
(1)城市地下综合管廊本体及附属设施的合理建设投资;
(2)城市地下综合管廊本体及附属设施建设投资合理回报,原则上参考金融机构长期贷款利率确定(政府财政资金投入形成的资产不计算投资回报);
(3)各入廊管线占用管廊空间的比例;
(4)各管线在不进入管廊情况下的单独敷设成本(含道路占用挖掘费,不含管材购置及安装费用,下同);
(5)在管廊设计寿命周期内,各管线在不进入管廊情况下所需的重复单独敷设成本;
(6)在管廊设计寿命周期内,各入廊管线与不进入管廊的情况相比,因管线破损率以及水、热、气等漏损率降低而节省的管线维护和生产经营成本;
(7)其他影响因素。
3.2.2 日常维护费的构成因素
(1)市地下综合管廊本体及附属设施运行、维护、更新改造等正常成本;
(2)城市地下综合管廊运营单位正常管理支出;
(3)城市地下综合管廊运营单位合理经营利润,原则上参考当地市政公用行业平均利润率确定;
(4)各入廊管线占用管廊空间的比例;
(5)各入廊管线对管廊附属设施的使用强度;
(6)其他影响因素。
3.3 国内外参考
3.3.1 法国、英国等欧洲国家政府城市地下综合管廊收费情况
法国、英国等欧洲国家,由于其政府财力比较强,共同沟被视为由政府提供的公共产品,其建设费用由政府承担,以出租的形式提供给管线单位实现投资的部分回收。至于其出租价格,并没有统一规定,而是由市议会讨论并表决确定当年的出租价格,可根据实际情况逐年调整变动。这一分摊方法基本体现了欧洲国家对于公共产品的定价思路,充分发挥民主表决机制来决定公共产品的价格,类似于道路、桥梁等其他公共设施。由于在这些国家的相关法律中有规定,一旦建设有共同沟,相关管线单位必须通过共同沟埋设管线,不得再采用传统埋设方法。
3.3.2 国内其它城市地下综合管廊的收费情况
厦门市物价局于2013 年12 月颁布了《关于暂定城市综合管廊使用费和维护费收费标准的通知>> (厦价商[2013] 15 号) ,核定了管廊使用费和维护费收费暂行标准。厦门市物价局价格成本监审分局编制了《厦门市城市综合管廊使用费和维护费定价成本调查报告》,然后按照《厦门是城市综合管廊管理办法》要求,以“保本微利”的原则,同时借鉴广州等地做法(综合管沟管线入沟费收费标准参照各管线直埋成本原则确定,对进驻综合管沟的管线单位一次性收取管线入沟费),以《调查报告》中厦门市市政工程设计院测算的各类管线使用费直埋成本为基数,加上市政公用事业成本费用利润率平均值2.6% ,拟定综合管廊使用费试行标准。
综合管廊维护费则根据各类管线设计截面空间比例,由各管线单位合理分摊,以《调查报告》中测算出的各类管线单位综合管廊维护费定价成本为基数,加上市政公用业成本费用利润率平均值2.6%,拟定综合管廊维护费试行标准。
2016年6月,厦门市发展改革委发布了关于调整城市地下综合管廊有偿使用收费标准的通知,公布了《厦门市城市地下综合管廊有偿使用收费标准(指导价格)》,部分内容如下表:



3.4 测算原则
有偿使用费分为入廊费和日常维护费两部分分别测算。其中:
入廊费主要用于弥补管廊建设成本,由以下成本组成:管廊工程征地拆迁费用;管廊工程基坑支护、开挖、回填费用;地基处理费用;管廊工程本体建设费用(包括管廊主体结构、管线支架支墩、管廊内部排水、照明、通风、消防、监控等附属设施建设费用,不包括入廊管线安装);管廊管线分支口、分支段及控制中心等管廊工程附属设施建设费用;管廊单独建设时引起的道路占用挖掘费、绿化修复费等;管廊工程勘察设计费、监理费、建设单位管理费等其他费用。
日常维护费组成:管廊本体及附属设施运行、维护、更新改造等正常成本;管廊运营单位正常管理支出;管廊运营单位合理经营利润、法定税金。
4 有偿使用费测算方法
根据《国务院办公厅关于推进城市地下综合管廊建设的指导意见》(国办发(2015) 61 号)第(十)条规定,综合管廊实行有偿使用制度。根据国家发展改革委、住房和城乡建设部发布的《关于城市地下综合管廊实行有偿使用制度的指导意见发改价格》([2015]2754号)文件第二条规定,城市地下综合管廊有偿使用费包括入廊费和日常维护费。
4.1 入廊费的定义
入廊费是用于弥补管廊建设成本,由入廊管线单位向管廊建设运营单位一次性支付或分期支付的费用,主要根据地下综合管廊本体及附属设施建设成本,以及各入廊管线单独敷设和更新改造成本确定。
4.2 入廊费的分摊方法
入廊单位分摊比例的确定是分摊的关键,目前有三种思路:直埋成本法、空间比例法以及直埋成本和空间比例结合法。
4.2.1 直埋成本法
在直埋成本法中,设管线j的第一次直埋成本为Yj,管线j单独敷设重新翻挖成本为Zj,寿命期内翻挖次数为Nj(≦4),则寿命期内管线的直埋成本为

直埋成本考虑的因素包括:
(1)各入廊管线第一次直埋成本(不含管材及安装成本);
(2)管廊设计寿命周期内,各管线在不入廊情况下因更新改造需要发生的重新敷设成本(其中包括:重新敷设土建费用,施工围挡费用,破除道路及恢复费用);
(3)因管线破损率,节约的管线维护和日常生产经营成本;
(4)因水、热、气等漏损率较低,节约的管线维护和日常生产经营成本;
(5)根据各专业管线建设暂定工况,再适当考虑其他影响因素进行修正;
(6)建设工程的应缴税金。
4.2.2 空间比例法
空间比例法即指管线单位按照进入管廊管线所占空间(管线净空间+管线操作空间)占用管廊的比例分摊管廊投资。
设管廊净空间体积为V,管线i所占的管廊有效空间为Vi,管廊公有空间为Vb,则
管线所占空间的确定原则:
(1)综合管廊通道净宽,应满足管道、配件及设备运输的要求,并符合下列规定:
a. 综合管廊内两侧设置支架或管道时,检修通道净宽不宜小于1.0m,单侧设置支架或管道时,检修通道净宽不宜小于0.9m;
b. 配备检修车的综合管廊检修通道宽度不宜小于2.2m。
(2)综合管廊的管道安装净距(见图2)不宜小于表1的规定。
(3)电力电缆支架间距应符合现行国家标准《电力工程电缆设计规范》GB 50217的有关规定。电缆支架、梯架或托盘的层间距离,应满足能方便地敷设电缆及其固定、安置接头的要求,且在多根电缆同置于一层情况下,可更换或增设任一根电缆及其接头。在采用电缆截面或接头外径尚非很大的情况下,符合上述要求的电缆支架、梯架或托盘的层间距离的最小值,可取下表2所列数值。
注:h为槽盒外壳高度。
(4)水平敷设时电缆支架的最上层、最下层布置尺寸,应符合下列规定:
a. 最上层支架距构筑物顶板或梁底的净距允许最小值,应满足电缆引接至上侧柜盘时的允许弯曲半径要求,且不宜小于表 2.2 所列数再加 80~150mm 的和值;
b. 最上层支架距其他设备的净距,不应小于 300mm,当无法满足时应设置防护板;
c. 最下层支架距地坪、沟道底部的最小净距,不宜小于表3 所列值。
(5)通信线缆的桥架间距应符合现行行业标准《光缆进线室设计规定》YD/T 5151的有关规定。通信线缆走线托架宽度宜为300~400mm,上下层之间距离不宜小于200mm。走线托架最低层距地面不得小于300mm;最高层距天花板不宜小于500mm,梁下不宜小于250mm。
(6)同一功能管线若单独设仓,则该管线所占空间面积按该舱内净面积计算。
(7)同一舱室内若设有多种管线,则分别计算每种管线的空间面积,原则如下:
a、单根管线的空间净面积,取满足管线规范要求的最小安装净距的计算面积A。设相同功能管线数量为N,则该功能管线的空间面积为N*A;
b. 带支架管线,若最底层支架下侧设有其他功能管线,如排水给水管线,则两种管线空间净面积计算分界线取在最底层支架下缘;
c. 按照计算得到各单位管线净面积比值分摊该舱室的剩余公摊面积;
d.各管线净面积与公摊面积之和即为各管线所占的空间面积。
4.2.3 直埋成本和空间比例结合法
结合了直埋成本法和空间比例法的优点,考虑的因素更为综合全面,但计算较为复杂,不简单直观。其计算原则如下:
(1)计算各入廊管线在全寿命周期条件下,考虑反复开挖等因素的直埋成本。各管线直埋成本总和一般情况下小于管廊总的建设投资成本。管廊建设投资成本扣除各管线总直埋成本的剩余部分为剩余建设成本;
(2)计算各管线的所占空间面积,按照各管线空间面积比例对剩余建设成本进行分摊;
(3)各管线权属公司入廊费为各管线两次分摊费用的总和。
4.3 日常维护费的测算方法
日常维护费根据“谁使用谁付费”的原则,由管线单位分摊,分摊的比例考虑以下因素:(1)管廊本体及附属设施运行、维护、更新改造等正常成本;(2)管廊运营单位正常管理支出;(3)管廊运营单位合理经营利润:回报利润率暂定4.9%(最终以成都市政公用行业平均利润率为准);(4)各入廊管线占用管廊空间的成本;(5)各入廊管线对管廊附属设施的使用成本:各入廊管线对管廊附属设施的使用强度;(6)其他影响因素。
日常维护费测算方法有:
(1)直埋成本与空间比例结合法
分摊的比例按照“直埋成本比例”和“空间比例”相结合的方法综合确定,即赋予管线直埋成本比例和空间比例不同的权重,计算出综合分摊比例。
(2)直埋成本与管线维护使用强度结合法
分摊比例按照“直埋成本比例”与“管线维护使用强度比例”相结合的方法综合确定,即赋予管线直埋成本比例和使用强度比例不同的权重,计算出综合分摊比例。
(3)空间比例与管线维护使用强度结合法
分摊比例按照“空间比例”与“管线维护使用强度比例”相结合的方法综合确定,即赋予管线空间比例和使用强度比例不同的权重,计算出综合分摊比例。
5 综合管廊入廊费分摊及日常维护费分摊
5.1 入廊费的直埋成本法分摊
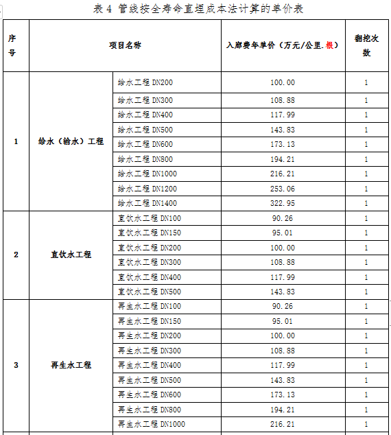
根据之前的论述,入廊费主要采用全寿命周期直埋成本法进行统计。根据计算得到各管线单独敷设的成本,全寿命周期中的翻挖次数,结合成都市的实际情况,我们可以计算得到各入廊管线的入廊费单价。详见表4。


说明:通信管道,对应为1孔=3根缆,其余管线都是1孔=1根缆。
5.2 综合管廊按全寿命周期直埋成本法计算的入廊费
本次研究以成都市IT大道为例,对入廊费进行测算。该综合管廊采用明挖施工工艺,采用五舱矩形断面型式,断面净空尺寸B×H=7.8m ×6.6m,管廊内收纳110kV高压电力电缆、10kV电力电缆、DN1400输水管、DN400配水管、DN300再生水管、通信线缆、雨水管、燃气等管线。由于原道路下已建有污水管道且本次道路改造不影响已建污水管,故无新建污水管入廊。综合管廊道路、综合管廊横断面示意图分别见图3、图4。

项目特点:a综合管廊结合有轨电车和道路改造同步实施,极大节约工期;b综合管廊采用上下双层结构,有效节约地下空间;c综合管廊考虑雨水回用,用于沿线绿地和公园的浇灌,并且与海绵城市理念结合。
项目周期:建设期为20162~017年,运营期从2018年开始。
经测算后的IT大道入廊费总价如下:
成都IT大道综合管廊为全线(电力、通信、给水、雨水、回用水、燃气等)入廊,五舱断面(见图5),断面面积约63.64m2,总长约6km。本次测算管廊投资单价为147471元/米,工程投资综合指标约88482.61万元(包括建筑安装工程费、设备工器具购置费、工程建设其他费用和基本预备费),年经营成本约756.36万元。
由上表5计算数据可知,采用直埋成本法测算的成都市IT大道综合管廊入廊费共计3.44亿元,约为管廊总投资8.85亿元的38.8%。
5.3 日常维护费分摊
日常维护费采用“空间比例”与“管线维护使用强度比例”相结合的办法,对各管线单位需承担的日常维护费进行测算,以下按照IT大道地下综合管廊为例。详见表6、表7。
为保证综合管廊运营维护工作的规范性,依据相关国家和行业标准,本次参照上海、浙江、厦门等地的综合管廊运营管理经验,测算本次运营维护费用。详见表8所示。
5.4 管廊日常维护费测算结果(见表9)
6 结论与建议
6.1结论
6.1.1 入廊费
采用直埋成本法进行测算,考虑全寿命周期内10kV电力、雨水及污水管线翻挖2次,110kV、220kV高压电力管线不考虑翻挖,其余管线翻挖次数为4次;并考虑入廊管线的漏损率、破损率、税率、建设投资单位的合理利润。本次测算的成都市IT大道综合管廊入廊费共计3.44亿元,约为管廊总投资8.85亿元的38.8%。
6.1.2 日常维护费
采用“空间比例”与“管线对管廊附属设施使用强度比例”相结合的办法,对各管线单位需承担的日常维护费进行测算。次测算的成都市IT大道综合管廊日常维护费约723.46万元/年,此价格水平低于上海、厦门等城市同类型管廊维护费用。
本次测算费用不是管廊的真实成本,应结合管廊的实际成本制定使用费,尽快制定使用费标准,有利于管廊的日常管理。
6.2 建议
随着综合管廊建设进度的加快,相关参建方及入廊管线单位迫切需要明确有偿使用费收费标准,亟待政府出台综合管廊有偿使用费收费标准。
收费标准的分摊关系到各方利益,政府部门需要厘清综合管廊收费标准高低与城市基础设施建设及运维的相互影响,给有偿使用费定价提供决策的依据,以规范成都市地下综合管廊有偿使用制度,建立适合成都市的有偿使用费收费标准,促进综合管廊与城市建设的协调发展。
参考文献:
[1]国家发展改革委、住房和城乡建设部《关于城市地下综合管廊实行有偿使用制度的指导意见发改价格》([2015]2754号);
[2]厦门市物价局《关于暂定城市综合管廊使用费和维护费收费标准的通知>> (厦价商[2013] 15 号);
[3]住房城张建设部、国家质量监督检验检疫总局《城市综合管廊工程技术规范》(GB50838‐2015);
[4]住房和城乡建设部《城市地下综合管廊工程维护消耗量定额》ZYA1-41(01)-2018;
[5] 成都市财政局《成都市财政关于加强我市地下综合管廊建设财政支持有关事宜的通知》成财投〔2016〕19号;


